| Sign In | Join Free | My chinapackagenet.com |
|
Brand Name : Julun
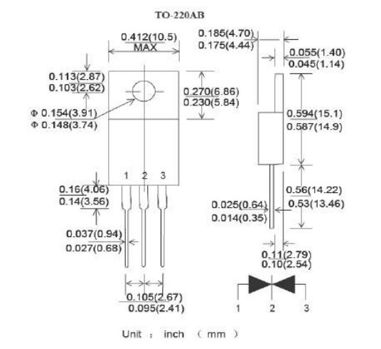
Model Number : TO-220AB
Place of Origin : CHINA
MOQ : 100 / Negotiable
Price : Negotiable
Payment Terms : L/C, D/P, T/T,
Supply Ability : 10000/Piece/Weekly
Delivery Time : 7~10 Working days
Packaging Details : Standard carton
Certification : CE/UL/VDE/KC/ROHS
Case : TO-220AB molded plastic body
Terminals : Solder plated, solderable per MIL-STD-750
Polarity : As marked
Mounting Position : Any
TO-220AB Transient Voltage Suppressor Diode ER1000-ER1006ct Fast recovery diode
MUR1610CT THRU MUR1660CT
16.0 A Switchmode Power Rectifiers
FEATURES
Low forward voltage drop
High current capability
High reliability
Low Power Loss,High Efficiency
Ultrafast 35 and 60 Nanosecond Recovery times
MECHANICAL DATA
Case: Molded plastic
Epoxy: UL 94V-0 rate flame retardant
Lead: Axial leads, solderable per MIL-STD-202, method 208 guranteed
Polarity: Color band denotes cathode end
Mounting position: Any
Weight: 1.98 grams
Maximum Ratings and Electrical Characteristics
Rating at 25 ℃ ambient temperature unless otherwise specified.
Single phase, half wave, 60 Hz, resistive or inductive load.
For capacitive load, derate current by 20%
| Type Number | Symbol | MUR1610CT | MUR1620CT | MUR1640CT | MUR1660CT | Unit |
| Maximum Repetitive Peak Reverse Voltage | VRRM | 100 | 200 | 400 | 600 | V |
| Maximum RMS Voltage | VRMS | 70 | 140 | 280 | 420 | V |
| Maximum DC Blocking Voltage | VDC | 100 | 200 | 400 | 600 | V |
| Maximum Average Forward Rectified Current | IF | 16 | A | |||
| Peak Forward Surge Current, 8.3 ms Single Half Sine-wave | IFSM | 100 | A | |||
| Superimposed on Rated Load (JEDEC method) | ||||||
| Maximum Instantaneous Forward Voltage @8A | VF | 1 | 1.3 | 1.7 | V | |
| Maximum Reverse Current @ Rated VR TA=25 ℃TA=125℃ | IR | 10 | uA | |||
| 500 | ||||||
| Typical Junction Capacitance (Note 1) | Cj | 150 | pF | |||
| Typical Thermal Resistance(Note 2) | RθjA | 30 | ℃/w | |||
| Operating and Storage Temperature Range | TJ | -65~+150 | ℃ | |||
| Maximum reverse recovery time (Note 3) | Trr | 50 | nS | |||
NOTE1. Measured at 1.0 MHz and applied reverse voltage of 4.0V D.C.
NOTE2. Leads maintained at ambient temperature at a distance of 9.5mm from the case
NOTE3. Measured with IF = 0.5A, IR = 1.0A, IRR = 0.25A. See figure 5.

Q: What can i do if i got a broken product form A-TEAM FUSE INC?
A: First of all please tell us as soon as possible after we will send a new one to you immediately but please send the broken product to us .you don't have to worry about the carriage charge we will pay for that.
Q;Are we a importer or manufacturer?
A;We are a manufacturer
Q:Why you have to choose us
A:High quality assurance. The most competitive price and fast shipping
Please tell me:
What product specifications do you need? when you ask for a quotation.I will give you the most competitive price per as your requirements. And we have many types for you to choose.
P.S.:If you can't find any products to meet your requirements. welcome to send us the details drawings so that we can provide us our professional & best service to you.
|
|
To-220ab Transient Voltage Suppressor Diode Er1000 To Er1006ct Fast Recovery Diode Images |